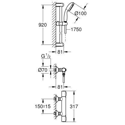
Entdecken Sie den intelligenten Thermostat, der Ihre gewĂŒnschte Wassertemperatur konstant hĂ€lt -fĂŒr ein groĂartiges und sicheres Duscherlebnis von der ersten Sekunde an! Mit ihrem attraktiven Preis ist Grohe QuickFix Precision Flow das ideale Upgrade, um den Komfort einer Dusche mit Thermostat noch weiter zu erhöhen. Die Grohe Thermostat-Kartusche garantiert eine konstante Wassertemperatur ohne unerwĂŒnschte Schwankungen. Dazu bietet sie Schutz fĂŒr die ganze Familie dank der Grohe SafeStop Technologie: Der Temperaturbegrenzer begrenzt die Wassertemperatur auf 38 °C, damit Kinder nicht versehentlich eine zu hohe Wassertemperatur einstellen. Der optional einsetzbare Grohe SafeStop Plus Temperaturbegrenzer begrenzt die Wassertemperatur auf maximal 43 °C. FĂŒr den Fall, dass die Kaltwasserversorgung komplett ausfĂ€llt, reduziert eine automatische Sicherheitsabschaltung den Wasserfluss auf ein Minimum. FĂŒr den Fall, dass die Kaltwasserversorgung komplett ausfĂ€llt, reduziert eine automatische Sicherheitsabschaltung den Wasserfluss auf ein Minimum. Grohe EcoJoy reduziert den Wasser- und Energieverbrauch -und fĂŒr den vollen Strahl mĂŒssen Sie nur den EcoButton drĂŒcken. Das Vitalio Go 100 Brausestangenset besteht aus einer Handbrause mit 100 mm Durchmesser und einem ShockProof Silikonring, der vor BeschĂ€digungen beim Herunterfallen schĂŒtzt, einer 920 mm langen Brausestange und einem 1750 mm langen Brauseschlauch. Die Grohe DreamSpray Technologie sorgt fĂŒr einen gleichmĂ€Ăigen Wasserfluss bei Verwendung des Rain Strahls. Die DĂŒsen lassen sich dank der SpeedClean Funktion mĂŒhelos von Kalk befreien. Die langlebige und pflegeleichte Grohe StarLight ChromoberflĂ€che garantiert zudem ein rundum strahlendes Aussehen der gesamten Brausegarnitur ĂŒber deren gesamte Lebenszeit. Mit ihrer schlanken Silhouette verleiht dieses Brausestangenset jedem Badezimmer einen eleganten und zeitlosen Look.
Grohe QuickFix Thermostat-Brausebatterie 1/2″ Mit Brausegarnitur 900mm
159,99 € UrsprĂŒnglicher Preis war: 159,99 €96,99 €Aktueller Preis ist: 96,99 €.
Artikelnummer: B2JPL 1647015 Kategorien: Brausesets, Duschzubehör
- Freundlicher, effizienter Service, immer online.
- Habe die besten Angebote
- QualitÀt, die hÀlt, Preise, die nicht halten.
- Immer die besten QualitÀtsprodukte.

| Art | Thermostat-Brauseset |
|---|---|
| Serie | Precision Flow |
| Material | Metall, Kunststoff |
| Anzahl Strahlarten | 1 StĂŒck |
| Form | Rund |
| Durchmesser | 10 cm |
| LĂ€nge | 175 cm |
| Verdrehschutz | Ja |
| Farbe | Chrom |
| Gewicht | 2,76 |
| Höhe | 9,6 |
| Breite | 14,5 |
| Tiefe | 93,0 |
Schreibe die erste Rezension fĂŒr âGrohe QuickFix Thermostat-Brausebatterie 1/2″ Mit Brausegarnitur 900mmâ Antwort abbrechen
Ăhnliche Produkte
Angebot!
Angebot!
Duschzubehör
Angebot!
Duschzubehör
Angebot!
DuschschlÀuche & BrauseschlÀuche
Angebot!
Angebot!
Duschzubehör
Angebot!
Duschzubehör
Angebot!


















Rezensionen
Es gibt noch keine Rezensionen.